
Finished project.

Front panel layout for interfacing.
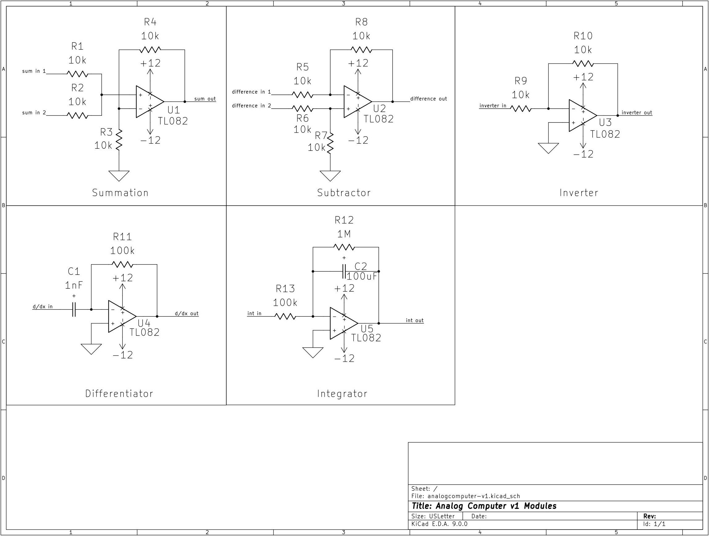
Introduction
I made a basic proof-of-concept analog computer using the TL082 op-amp chip.
This computer can be made DIY using the paper circuits I designed. I decided to make the paper circuits in modules so a computer can be built using however many of each one desires.
Finished project.
Front panel layout for interfacing.
Functionality
The computer can do summation, subtraction, integration, differentiation, and inverting.
The outputs can be patched into other inputs, along with an included DC voltmeter. The device takes bipolar 12V as power.
How It Works
The circuits use the TL082 chip with resistors and capacitors built on paper circuit. The inputs/outputs are screws that alligator clips can clip onto.
The TL082 op-amps are in the basic configurations for their function. I tested resistor/capacitor values for a decent frequency range of around 500-15000 Hz for the calculus operations.
How to Make Your Own
This project can be reproduced using the resources provided below. Simplified,
1. Choose component values.
2. Print the paper circuits.
3. Solder the paper circuits. There is a detailed guide on how to do this below.
4. Design a panel layout, or use mine.
5. Construct a panel, whole box, or keep the paper circuits as is.
6. Wire your power and ground rails together.
First, I started by laying out the schematics and paper circuit designs for each module. You can get the KiCad file here.
The op-amp designs can all be understood given introductory op-amp theory. These are basic configurations.
Values were chosen based on the signals my function generator output. I recommend calculating values for your use case.
I then drew out a panel design in GIMP, carefully scaling the paper circuit modules to be print-accurate. I added power and ground pins too.
I also modeled the DC voltmeter sizing as well.
Here is a link to download the finished panel layout PDF. It prints larger than letter.